线源三维井地电法异常边界增强及地形校正技术

Anomaly edge enhancement and topographic correction technology of linear source 3D borehole-to-surface electrical method

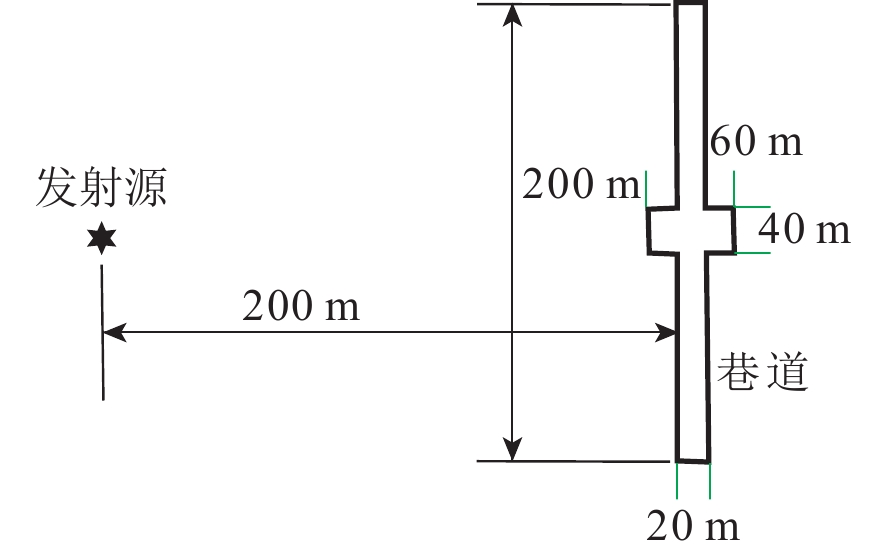
  • 摘要: 基于非结构网格有限元方法开展了三维复杂地电模型的线源井地电法的高效正演模拟研究,探讨了通过求取电场响应导数来刻画目标体边界范围、采用差异场地形校正技术来消除地形影响等措施对井地电法成像的效果和精度的影响。并通过对比与解析解,验证了本文数值解算法的有效性。模型计算结果表明:积水巷道的空间位置和走向均会引起视电阻率的显著变化,视电阻率变化率的极值准确且清晰地指示了巷道边界的位置;电位的归一化总水平导数极大地提高了井地电法对目标体复杂边界位置的识别能力;地形对井地电场分布的影响也很大,其视电阻率响应与地形形状近似呈对称关系,利用差异场技术能有效地削弱地形对井地电法高精度成像的影响。

     

    Abstract: Based on the finite element method of unstructured grid, the efficient forward modeling of the borehole-to-surface electrical method derived by the linear current source under the condition of the 3D complex geoelectric model was carried out. The effects on the effectiveness and accuracy of the borehole-to-surface electrical method imaging were discussed by obtaining the electric field response derivative to characterize the boundary range of the target body, and using the difference field topography correction technology to eliminate the topographic influence. And the comparison between the numerical solution and the analytical solution verifies the effectiveness of the algorithm in this paper. The model calculation results show that the spatial position and direction of the roadway with water accumulation cause significant changes in the apparent resistivity, and the extreme value of the apparent resistivity change rate accurately and clearly indicates the boundary position of the roadway. The normalized total horizontal derivative of the electric potential greatly improves the ability of the borehole-to-surface electrical method to identify the complex boundary position of the target body. Moreover, the influence of topography on the distribution of borehole-to-surface electrical field is also serious, and its apparent resistivity response is approximately symmetrical to the shape of the topography. The difference field technique can effectively weaken the influence of topography on the high-precision imaging of the borehole-to-surface electrical method. The research results have important theoretical and practical significance for improving the data interpretation level and application effect of the borehole-to-surface electrical method.

     

/

返回文章
返回